超详细的临时用电安全管理系统性讲解,没有比这个更全的了!
来源:
|
作者:longjijianshu
|
发布时间: 2024-01-05
|
357 次浏览
|
🔊 点击朗读正文
❚❚
▶
|
分享到:
存在因摩擦、挤压、感应和接地不良等而产生对人体和环境有害静电的施工现场。敷设波能够在施工现场机械设备上感应产生有害对地电压的电磁辐射体。为了电路或设备达到运行要求的接地,如变压器低压中性点和发电机中性点接地。设备接地线上一处或多处通过接地装置与大地再次连接的接地。施工前已埋入地中,可兼作接地体用的各种构件,如钢筋混凝土基础的钢筋结构、金属井管、金属管道(非燃气)等。连接设备金属结构和接地体的金属导体(包括连接螺栓)。接地装置的对地电阻。它是接地线电阻、接地体电阻、接地体与土壤之间的接触电阻和土壤中的散流电阻之和。接地电阻可以通过计算或测量得到它的近似值,其值等于接地装置对地电压与通过接地装置流入地中电流之比。按通过接地装置流入地中冲击电流(模拟雷电流)求得的接地电阻。导体与导体之间直接提供电气通路的连接(接触电阻近于零)。正常使用时要被通电的导体或可导电部分,它包括中性导体(中性线),不包括保护导体(保护零线或保护线),按惯例也不包括工作零线与保护零线合一的导线(导体)。电气设备的能触及的可导电部分。它在正常情况下不带电,但在故障情况下可能带电。人体、牲畜与故障情况下变为带电体的外露可导电部分的接触。一种专门用作分配电力的配电装置,包括总配电箱和分配电箱,如无特指,总配电箱、分配电箱合称配电箱。指输入绕组与输出绕组在电气上彼此隔离的变压器,用以避免偶然同时触及带电体(或因绝缘损坏而可能带电的金属部件)和大地所带来的危险。它的输入绕组与输出绕组在电气上至少由相当于双重绝缘或加强绝缘的绝缘隔离开来。它是专门为配电线路、工具或其他设备提供安全特低电压而设计的。2.6 NPE——具有中性和保护线两种功能的接地线,又称保护中性线;2.10 TN——电源中性点直接接地时电气设备外露可导电部分通过零线接地的接零保护系统;2.11 TN-C——工作零线与保护零线合一设置的接零保护系统;2.12 TN-C-S——工作零线与保护零线前一部分合一,后一部分分开设置的接零保护系统;2.13 TN-S——工作零线与保护零线分开设置的接零保护系统;2.14 TT——电源中性点直接接地,电气设备外露可导电部分直接接地的接地保护系统,起重电气设备的接地点独立于电源中性点接地点;为进一步规范施工现场临时用电管理,确保施工用电安全。根据国家相关标准和《施工现场临时用电安全技术规范》JGJ46-2005(以下简称为《规范》)、《建筑施工安全检查标准》JGJ59-2011(以下简称为《标准》)的要求和公司施工现场安全用电实际情况,编制建筑施工临时用电安全管理指导手册。本手册适用于公司所承建工程施工现场临时用电的设计、安装、使用、维修和拆除。建筑施工现场临时用电工程专用的电源中性点直接接地的220/380V三相四线制低压电力系统,必须符合下列规定:



1、现场临时用电设备5台或者设备总容量在50KW以上,应编制用电组织设计;装饰装修工程或其他特殊阶段,应补充单项施工用电方案;2、临时用电组织设计要单独编制,临时用电工程应按图施工。3、临时用电组织设计及变更时,必须履行“编制、审核、批准”程序,由电气工程技术人员组织编制,经相关部门审核及具有法人资格企业的技术负责人批准后实施。变更用电组织设计时应补充有关图纸资料。4、临时用电工程必须经编制、审核、批准部门和使用单位共同验收,合格后方可投入使用;1、电工必须经过按国家现行标准考核合格后持证上岗工作;其他用电人员必须通过相关安全教育培训和技术交底,考核合格后方可上岗工作。
2、各类用电人员应掌握安全用电基本知识和所用设备的性能,并应符合下列规定:(1)使用电气设备前必须按规定穿戴和配备好相应的劳动防护用品,并应检查电气装置和保护设施,严禁设备带“缺陷”运转;(3)暂时停用设备的开关箱必须分断电源隔离开关,并应关门上锁;(4)移动电气设备时,必须经电工切断电源并做妥善处理后进行。1、安全技术档案应由主管该现场的电气技术人员负责建立与管理。其中“电工安装、巡检、维修、拆除工作记录”可指定电工代管,每周由项目经理审核认可,并应在临时用电工程拆除后统一归档。2、临时用电工程应定期检查。定期检查时,应复查接地电阻值和绝缘电阻值。3、临时用电工程定期检查应按分部、分项工程进行,对安全隐患必须及时处理,并应履行复查验收手续。



1、三级配电系统:配电系统应设置总配电箱(柜)、分配电箱(柜)、开关箱,实行三级配电。应具备1、电源隔离功能;2、正常接通与分断电路功能;3、过载、短路、漏电保护功能。见图2、在施工现场专用变压器的供电的TN-S接零保护系统中,保护零线应由工作接地线、配电室(总配电箱)电源侧零线或总漏电保护器电源侧零线处引出。电气设备的金属外壳必须与保护零线连接。3、采用TN系统做保护接零时,工作零线(N线)必须通过总漏电保护器,保护零线(PE)线必须由电源进线零线重复接地处或总漏电保护器电源侧零线处引出形成局部TN-S接零保护系统。4、在TN接零保护系统中,通过总漏电保护器的工作零线(N线)与保护零线(PE)线之间严禁再做电气连接。PE线应单独敷设,重复接地线必须与PE线相连接。5、当施工现场与外电线路共用同一供电系统时,电气设备的接地、接零保护应与原系统保持一致。不得一部分设备做保护接零,另一部分设备做保护接地。
1、总配电柜(箱)应靠近变压器处设置,起到保护施工现场所有配电线路及设备的安全用电,并应设在灰尘少、潮气少、振动小、无腐蚀介质、无易燃易爆物及道路通畅的地方。2、配电柜侧面的维护通道宽度不小于1m,配电室顶棚与地面的距离不低于3m。3、配电室的建筑物和构筑物的耐火等级不低于3级,室内配置砂箱和可用于扑灭电气火灾的灭火器,配电室的照明分别设置正常照明和事故照明,配电室的门向外开,并配锁。

4、总配电柜内应装设电度表、电流表、电压表及其他需要的仪表。电流表与计费用电表应使用两组电流互感器。不得共用同一组电流互感器。专用电能计量仪表的装设应符合当地供用电管理部门的要求。(1)当各分路设置分路漏电保护器时,还应装设总隔离开关、分路隔离开关以及分路断路器或分路熔断器。(2)当总路设置总总漏电保护器时,还应装设总隔离开关、分路隔离开关以及总断路器、分断路器、分路熔断器。当选择漏电断路器时,可不设总断路器或总熔断器。(4)总开关电器的额定值、动作整定值应与分路开关电器的额定值、动作额定值相适应。(5)总配电柜(箱)中漏电保护器的额定漏电动作电流应大于30mA,额定漏电动作时间应大于0.1s,但其额定漏电动作电流与额定漏电动作时间的乘积不应大于30mA•s。(6)当现场设置总配电室时,应执行《规范》6.1的要求。
配电箱应采用冷轧钢板或阻燃绝缘材料制作(购置地方安检站指定产品);配电箱钢板厚度为1.5mm,箱体表面应做防腐处理;配电箱箱中漏电保护器的额定漏电动作电流符合行业《施工用电规范》要求配置;配电箱箱体颜色为中黄色(做喷塑处理)、CI及闪电标示如右图所示,材质为不干胶割字。


1、分配电箱(柜)宜设置在用电设备或负荷相对集中的区域,分配电箱应装设总隔离开关、分路隔离开关以及总断路器、分路断路器或总熔断器、分路熔断器,以及分路漏电保护器。当选择漏电断路器,可不设分路断路器或分路熔断器。2、分配电箱采用冷轧钢板或阻燃材料制作,分配电箱钢板厚度不得小于1.5mm,箱体表面应做防腐处理。3、固定式分配电箱中心点与地面的垂直距离应为1.4m,配电箱支架应采用L40×40×4角钢焊制。4、移动配电箱与照明配电箱宜分别设置;当合并设置为同一配电箱时,动力和照明应分路配电。5、移动式分配电箱进线应采用橡皮护套绝缘电缆,不得有接头。





1、每台用电设备必须有各自专用的开关箱(一机、一闸、一漏、一箱),严禁用同一个开关箱直接控制2台及2台以上用电设备(含插座)。2、开关箱的电器配置、接线要与用电负荷类别相适应;不得随意挂接其他用电设备。3、开关箱必须装设隔离开关、断路器或熔断器、以及漏电保护器。4、开关箱中的隔离开关只可直接控制照明电路和不大于3.0KW的动力电路,但不应频繁操作;容量大于3.0KW的动力电路应采用断路器控制;对频繁操作用电设备应加设接触器或其他启动控制装置。5、开关箱与其控制的固定式用电设备的水平距离不宜超过3m,开关箱与分配电箱的距离不得超过30m。动力开关箱与照明开关箱必须分设。

6、开关箱漏电保护器的额定漏电动作电流不应大于30mA,额定漏电动作时间不应大于0.1s。在潮湿或有腐蚀介质场所的漏电保护器应采用防溅型产品,其额定漏电动作电流不应大于15mA,额定漏电动作时间不应大于0.1s。7、开关箱中漏电保护器的极数和线数必须与其负荷侧负荷的相数和线数一致。且漏电保护器不得用于启动电气设备的操作。8、用电设备停止作业1小时以上时,应将开关箱断电上锁。



1、 配电柜(箱)、开关箱内电器安装板上必须分设工作零线(N线)和保护零线(PE线)接线排(端子板)。工作零线(N线)接线排必须与金属电器安装板绝缘。保护零线(PE线)端子板必须与金属电器安装板和重复接地做电气连接。金属箱门与金属箱体必须通过采用编织软铜线做电气连接。
2、配电柜安装在高0.30~0.40m的底座(支架)上,并安装端正、牢固。3、配电箱、开关箱分固定式和移动式,安装要求如下:a.固定式配电箱、开关箱的中心点与地面的垂直距离应为1.4~1.6m。b.移动式配电箱、开关箱应装设在坚固、稳定的支架上,其中心点与地面的垂直距离为0.8~1.6m。并安装端正、牢固。

4、线孔必须开在配电箱、开关箱下部,所有导线应从下部引入,线孔处应有护口。严禁在箱体上部和侧部开孔引线。5、配电箱、开关箱内的电器(含插座)应先按其位置紧固在金属或非木质阻燃绝缘电器安装板上,再整体紧固在配电箱、开关箱箱体内,不得歪斜和松动。金属电器安装板与金属箱体应做电气连接。严禁使用微型组合式断路器和模块插座等电器(例:DZ47断路器,AC30模数化插座如图)。
6、当选用具有隔离功能、过载保护、短路保护、漏电保护等功能于一体的漏电断路器时,可不再设隔离开关、熔断器或断路器和漏电保护器。7、隔离开关分段时应有明显可见分段点并能同时断开电源所有极的电器。8、漏电保护器应装设在配电柜(箱)、开关箱靠近负荷的一侧,且不得用于启动电气设备的操作。漏电保护器的极数和线数必须与其负荷侧负荷的相数和线数一致。9、配电箱、开关箱应有名称、编号、用途、分路标记及系统接线图。并配锁,应由专人负责。分路标记不得粘贴在电器铭牌上。10、配电箱、开关箱周围应有足够2人同时工作的空间和通道,不得堆放任何妨碍操作、维修的物品,不得有灌木、杂草。11、移动式分配电箱、开关箱的电源进线端严禁采用插头和插座做活动连接(严禁电源进线采用插头和插座做活动连接主要是防止插头被触碰带电脱落时造成意外短路和人体直接接触触电危害)。12、所有电器必须通过国家实行强制认证(CCC)的产品。
根据公司现场实际使用多是五芯电缆的情况,针对电缆线要求如下。1、五芯电缆应包含黄、绿、红、淡蓝、绿/黄双色绝缘芯线。淡蓝色芯线必须用工作零线(N线);绿/黄双色芯线必须用作保护零线(PE)线,严禁混用。2、电缆芯线数应根据负荷及其控制电器的相数和线数确定;三相四线时,应选用五芯电缆;三相三线时,应选用四芯电缆;当三相用电设备中配置有单相用电电器具时,应选用五芯电缆;单相二线时,应选用三芯电缆。施工现场严禁使用三芯、四芯电缆外加单根绝缘线或二芯电缆拼成四芯或五芯电缆使用。3、电缆线进入施工现场应有现场电工对电缆线进行绝缘性能检测,经检测合格方可在临时用电工程中使用。
1、电缆线路应采用埋地或架空敷设,严禁沿地面明敷,并应避免机械损伤和介质腐蚀。埋地电缆路径应设方位标志。埋地敷设宜选用铠装,金属铠装应接地;当选用无铠装电缆时,应能防水、防腐。架空敷设宜选用无铠装电缆。2、电缆直接埋地敷设的深度不应小于0.7m,并应在电缆紧邻上、下、左、右侧均匀敷设不小于50mm厚的细砂,然后覆盖砖或混凝土板等硬质保护层。

3、施工现场条件,在施工道路边或基坑周边制作电缆沟道,沟道内架设钢支架(防止电缆浸水),在角钢支架上敷设电缆,预留出电缆线孔引入电缆线,覆盖电缆沟盖板保护电缆线。电缆沟道底部应留有排水孔。4、引出地面从2.0m高到地下0.2m处,必须加设防护套管,防护套管内径不应小于电缆外径的1.5倍。埋地电缆的接头应设置在地面上的接线盒内,接线盒应能防水、防尘、防机械损伤。5、在沿墙壁敷设时最大弧垂距地不得小于2.0m。有条件的工程项目可以使用电缆桥架沿墙壁敷设,敷设高度不得小于2.0m,电缆桥架必须做好桥架跨接线和保护接地,保护接地极距离不大于30m。

6、在建工程内的电缆线路必须采用电缆埋地或穿保护钢管保护引入,严禁穿越脚手架引入。电缆垂直敷设应充分利用在建工程的竖井、垂直孔洞等,并宜靠近用电负荷中心,固定点每楼层不得少于一处。电缆水平敷设宜沿墙或门口刚性固定,最大弧垂距地不得小于2.0m。
7、楼层分配电中电缆垂直敷设应利用工程中的竖井、垂直孔洞,宜靠近用电负荷中心;10、每层分配电箱电源电缆应从下一层电箱中总隔离开关上端子引出;

12、当电缆线需要架空敷设时应沿电杆、支架、墙壁或粱底敷设,并采用绝缘子固定,绑扎线必须采用绝缘线,固定点间距应保证电缆能承受自重所带来的荷载(大跨度架空敷设电缆时建议使用钢索敷设,两固定点间距不大于35m,减少自重对电缆本事的伤害),敷设高度应符合规范第7.1节架空线路敷设高度的要求。

1、办公区、生活区所有电路配线必须有PE线(含插座)。2、办公区、生活区必须采用绝缘导线或电缆线敷设。敷设高度距地面不得小于2.5m。室内敷线应使用绝缘线槽、穿管或钢索敷线。当采用金属管或钢索敷线时,金属管或钢索必须与PE线做电气连接并重复接地。3、进户线应有防雨措施,并穿保护管。室内导线过墙处应穿保护管。4、金属彩板房、集装箱彩板房两端应作重复接地,长度超过30m的彩板房中间应增加一组重复接地,接地电阻不大于10Ω。集装箱彩板房与房之间均应作电气连接。
1、在建工程不得在外电架空线路正下方施工、搭设作业棚、建造生活设施或堆放构件、架具、材料及其他杂物等。当达不到规范第4.1.2~4.1.4条中的规定时,必须采取绝缘隔离防护措施,并应悬挂醒目的警告标志。当使用金属防护架时,防护架应接地。2、防护设施应坚固、稳定,且对外电线路的隔离防护应达到IP30级(防止大于2.5mm的固体异物进入)。

3、在施工现场一般采取搭设防护架,其材料应使用木质等绝缘材料。防护架距外电线路一般不小于1m,必须停电搭设,拆除时也要停电。防护架距作业面较近时,应用硬质绝缘材料封严,防止脚手架、钢筋等穿越触电。4、当架空线路在塔吊等起重机械的作业半径范围内时其线路上方也应有防护措施,搭设成门型,其顶部可用5cm厚木跳板或相当于5cm木板强度的材料盖严。为警示起重机作业,可在防护架上端间断设置小彩旗,夜间施工应有彩灯或红色灯泡,其电源电压应为36V。


电气设备现场周围不得存放易燃易爆物、污源和腐蚀介质,否则应予清除或做防护设施,其防护等级必须与环境条件相适应。电气设备设置场所应能避免物体打击和机械损伤,否则应做防护设施。

(1)人工接地体 人工埋入地中的接地体。严禁采用铝导体作接地体,严禁采用螺纹钢做垂直接地体。
(2)自然接地体:施工前埋入地中,可兼作接地体用的各种构件,如钢筋混凝土基础的钢筋结构、金属井管、金属管道(非燃气)等。2、接地线:连接设备金属结构和接地体的金属导体(包括连接螺栓)。接地线必须使用多股铜软导线,用螺栓与接地体连接。严禁使用单股硬铜线和铝线做接地线。严禁用导线线头缠绕在接地体上。
接地电阻:接地装置的对地电阻。它是接地线电阻、接地体电阻、接地体与土壤之间的接触电阻和土壤中的散流电阻之和。可以通过接地电阻摇表(接地电阻测试仪)测量得到接地电阻值。 1、工作接地 为了电路或设备达到运行要求的接地,如变压器低压中性点和发电机中性点的接地。容量超过100KVA的电力变压器或发电机的工作接地电阻值不得大于4Ω。配电室或总配电柜(箱)处的工作接地电阻值不得大于4Ω。2、重复接地 设备接地线上一处或多处通过接地装置与大地再次连接的接地。分配电柜(箱)、开关箱或机械设备外露可导电金属部件应作重复接地,接地电阻值不得大于10Ω。施工现场内的塔式起重机、施工升降机、物料提升机以及钢脚手架和正在施工的在建工程的金属结构,当在现场防雷接闪器保护范围以外时,按规定安装防雷装置,机械设备上的接闪器长度为1~2m;安装避雷针的机械设备,动力、控制、照明、通讯线路要采用钢管做保护管,并与该机械设备保持良好的电气连接(屏蔽、等电位)以防止雷电侧击;



做防雷接地的机械上的电气设备,所连接的PE线必须同时做重复接地,同一台机械电气设备的重复接地和机械的防雷接地可共用同一接地体,但接地电阻要满足重复接地的电阻值要求; 施工现场内所有防雷装置的冲击接地电阻值不得大于30Ω。
施工现场内机械设备及高架设备需安装防雷装置的规定

4、保护接地 为了保护人身安全、防止间接触电而将外露可导电部分接地。施工现场生活区金属保温彩板制作的办公室、宿舍、食堂等用电部位,作业区金属结构防护棚、作业棚等用电部位应作保护接地。接地电阻值不得大于10Ω。5、静电接地 将带静电物体或有可能产生静电的物体(非绝缘)通过导静电体与大地构成回路的接地叫静电接地。在强电磁波源附近工作的塔式起重机,操作人员应戴绝缘手套和穿绝缘线,并应在吊钩与机体间采取绝缘隔离措施,或在吊钩吊装地面物体时,在吊钩上挂接临时接地装置。静电接地电阻一般要求不大于10Ω。
施工现场用电设备可分为三大类:电动机械、手持电动工具和照明器具。电动机械、手持电动工具和照明器具要有符合规范要求的专用开关箱。正、反向运转控制装置中的控制电器应采用接触器、继电器等自动控制电器。不得采用手动双向转换开关(倒顺开关)作为控制电器。
电动机具的负荷线应按其计算负荷选用无接头的橡皮护套铜芯软电缆。现场所有用电设备、操控电器应完好,无损伤。设备进行清理、检查、维修时,必须首先将其开关箱拉闸断电,关门上锁,挂“检查维修,严禁合闸”操作牌。施工现场起重机械主要包括塔式起重机、施工升降机、物料提升机和施工吊篮等。塔式起重机、施工升降机、物料提升机和施工吊篮应有符合规范要求的开关箱。当塔式起重机高于30m时,应在塔顶和臂架端架设航空障碍信号灯,以防飞行器碰撞。起重机械设备要设置避雷装置。其避雷针(接闪器)长度应为1~2m,塔式起重机可不另设避雷针(接闪器)。当塔式起重机在广播电台、电视台或其他强电磁波源附近作业时,应用绝缘吊带吊挂物体。当绝缘吊带不能满足起吊物要求时,与吊钩接触操作人员应穿戴绝缘防护装备,并在吊钩上挂接临时放电接地装置,接地电阻不得大于10Ω。做防雷接地的起重机械PE线必须同时做重复接地,同一台机械设备的重复接地与防雷接地共用同一接地体时,其接地电阻的电阻值要不大于4Ω。
焊接作业前应先办理动火审批,确认焊接现场防火措施符合要求,焊接现场不得有易燃、易爆物品,并配备相应的消防器材和防护用品,落实动火监护人员。电焊机一、二次接线柱处应有防护罩;一次侧负荷线长度不大于5m,二次侧焊把线长度不应大于30m,应采用防水橡皮护套铜芯软电缆;不得采用金属构件或结构钢筋代替二次侧的地线。电焊机要符合规范要求的专用开关箱,并应配装防二次侧触电保护器,防止电焊机二次侧空载构成的触电伤害。选用JZ型弧焊机触电保护器时,可兼做一、二次侧的触电保护。多台焊机同时作业时应做到三相负载平衡。电焊机应放置在防雨、干燥和通风良好的地方;严禁露天冒雨从事电焊作业。

夯土机械的使用应符合规范要求移动式开关箱,其漏电保护应符合潮湿场所选用的要求;夯土机作业前应检查漏电保护器灵敏有效,电缆线绝缘良好,PE线压接点不少于2处。负荷线应采用耐气候型16mm2四芯橡皮护套铜芯软电缆,电缆长度不应大于50m,并不得有接头。夯土机作业时扶夯和顺线人员必须按规定穿戴绝缘用品,电缆严禁缠绕、扭结和被夯土机跨越;夯土机械的操作扶手必须绝缘。 砼浇筑作业前应将振动器交现场电工对其电机、导线进行绝缘检查,合格后方可使用。振动器应有符合规范要求的专用移动式开关箱,电缆线应采用耐气候橡皮护套铜芯软电缆,并不得有接头。电缆线长度不得超过30m。严禁缠绕、扭结、挤压和承受外力。振动器进场应由现场电工将其电机试机电缆拆除,使用整根1.5mm2四芯橡皮护套铜芯软电缆压接到控制开关内,并将PE线压在接地端子上。应有符合规范要求的开关箱;负荷线应采用耐气候橡皮护套铜芯软电缆,并不得有接头;负荷线长度不大于5m。型材切割机应使用手柄开关,操作手柄松开后,切割机能自动停止;当操作手柄开关不能满足电机要求时,应加装接触器或其他启动控制装置;严禁使用按钮开关和断路器控制。
钢筋机械进场后应由现场电工将其机具试机电缆拆除,应使用整根四芯橡皮护套铜芯软电缆压接到开关箱内。调直切断机PE线应在控制箱内连接后,再连接到主机金属外壳上。钢筋机械金属外壳、金属基座必须与PE线做电气连接,并重复接地。
其他电动机械的负荷线必须采用耐气候型橡皮护套铜芯软电缆,并不得有任何破损和接头。水泵的负荷线必须采用防水橡皮护套铜芯软电缆,严禁有任何破损和接头,并不得承受任何外力。1、手持式电动工具按绝缘和使用环境分为三类:Ⅰ类工具、Ⅱ类工具、Ⅲ类工具。2、一般场所选用Ⅰ类或Ⅱ类手持式电动工具,其金属外壳与PE线的连接点不得少于2处;相关开关箱中漏电保护器的额定漏电动作电流不应大于15mA,额定漏电动作时间不应大于0.1s,除塑料外壳Ⅱ类电动工具外,其负荷线插头应具备专用的保护接地触头,负荷线长度不得超过2m。所用插座和插头在结构上应保持一致,避免导电触头和保护触头混用。3、在潮湿场所或金属构架上操作时,必须选用Ⅱ类或由安全隔离变压器供电的Ⅲ类手持式电动工具。其开关箱和控制箱应设置在作业场所外面。严禁使用Ⅰ类手持式电动工具。操作过程中,应有人监护。4、手持式电动工具中的塑料外壳Ⅱ类工具和一般场所手持式电动工具中的三类工具可不连接PE线。5、手持式电动工具的负荷线应采用耐气候型的橡皮护套铜芯软电缆,并不得有接头。手持式电动工具的外壳、手柄、插头、开关、负荷线等必须完好无损,使用前必须做绝缘检查和空载检查合格后方可使用。6、使用手持式电动工具时,必须按规定穿、戴绝缘防护用品。

1、所有灯具要有符合规范要求的专用开关箱,灯具选择应符合所在作业场所环境要求。灯具供电电压与导线选择应符合灯具要求。2、在特殊作业场所应使用安全特低电压供电,应使用双绕组型安全隔离变压器,变压器金属外壳应与PE线连接,并与重复接地连接;严禁使用自耦式变压器。
1、手持行灯电压不得大于36V。不得使用灯头开关。2、施工现场所有灯具及其导线安装、敷设高度不得低于3m;室内220V灯具离地面不得低于2.5m。楼梯间和地下室照明灯具线路应在施工前选好敷线位置和方式;所有灯具金属外壳应与PE线连接,并接地。照明开关箱内必须设置隔离开关、短路与过载保护器和漏电保护器。

3、办公区、生活区的灯具必须经过符合规范要求照明开关箱控制;灯具相线必须经过开关控制,不得直接接入灯具;生活区严禁设置床头开关;灯具严禁覆盖。4、食堂内开关箱中漏电保护器应符合规范潮湿场所要求。用电器具开关应使用防水开关或拉线开关,不得使用翘板开关或线上开关。插座具有防水防潮装置,照明灯具应使用防潮灯具。所有用电器具金属外壳必须与PE线连接并作重复接地,接地电阻值不大于4Ω。5、项目部生活区应采取强电限流模式进行生活区临建房供电,一间一专线,每户限额500W,中间关键控制器为电子限电自动控制器,额定电流为2.3A,复位时间20-60S。6、线径可采用1.5-2.5mm²铜线,每户可供作业人员照明、手机充电、电扇、电视机、电脑、DVD等生活用电,但不能使用热得快、电炉、电磁炉等违禁用品。一旦使用违禁物品,限电自动控制自动断电,该户用电自动跳闸,20-60S后重新供电,该用户违章用电不影响其他正常用户的用电需求。7、每户房间照明均设置隔离开关、电子限电自动控制器、漏电保护器,形成独立的控制系统。
8、施工现场彩板房内应使用36V安全电压,电源线路不得随意改动,严禁私拉乱接,不得使用220V以上电源。9、当彩板房内使用空调、油汀式大功率电暖气等降温和取暖设备时,必须单独敷设电源线,电源线要做穿管保护,加设符合规定的短路、过载和漏电保护器,按规范标准敷设。10、生活区用电除食堂和开水房、淋浴室外,全部采用低压转换设备转换为36V电压,安装时控开关,定时供电、断电。11、为了满足生活区工人手机充电方便,生活区单独建立手机充电处,设立单个手机充电箱,专人管理,统一充电。12、当夏季、冬季宿舍降温、取暖时,单独敷设220V电缆线,于每个宿舍设置360度摇头扇、暖风机,宿舍内摇头扇、暖风机直接加设套管在接线盒内接线,不得插头,加设风速控制器,采用时控开关定时送、断电。

13、装有易燃易爆气体的气瓶存储间内宜选用低压防爆照明灯具。14、普通灯具距离易燃物距离不宜小于300mm,聚光灯、碘钨灯等高热灯具与易燃物距离不宜小于500mm且不得直接照射易燃物。15、碘钨灯及钠等金属卤化物灯具的安装高度宜在3m以上,灯线应固定在接线柱上,不得靠近灯具表面。
1.直接接触触电:触及正常状态下带电的带电体而导致的触电。2.间接接触触电:触及正常状态下不带电、而在故障下意外带电的带电体而导致的触电。单相触电是指人体站在地面或其他接地体上,人体的某部位触及一相带电体所引起的触电。它的危险程度与电压的高低、电网的中性点是否接地、每相对地电容量的大小有关,是较常见的一种触电事故。
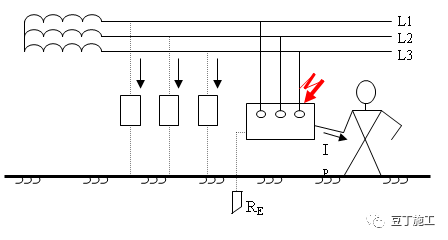
两相触电是指人体有两处同时接触带电的任何两相电源时的触电。发生两相触电时,电流由一根导线通过人体流至另一根导线,作用于人体上的电压等于线电压,若线电压为380V,则流过人体的电流高达268mA,这样大的电流只要经过0.186s就可能致触电者死亡。故两相触电比单相触电更危险。


它是防止人体触电,用绝缘物把带电体封闭起来。瓷、玻璃、云母、橡胶、木材、胶木、塑料、布、纸和矿物油等都是常用的绝缘材料。
就是保证必要的安全距离。在低压工作中,最小检修距离不应小于0.1米。接地 :电气装置或其它装置正常时不带电的金属外壳与大地的连接叫接地。
保护接零 :就是把电气设备在正常情况下不带电的金属外壳与电网的零线紧密地连接起来。应该注意,零线回路中不允许装设熔断器和开关。(TN-C系统)
保护接地:保护接地是指为保证人身安全,防止人体接触设备外露部分而触电的一种接地形式。在中性点不接地系统中, 设备外露部分(金属外壳或金属构架),必须与大地进行可靠电气连接,即保护接地。
为了保证在故障情况下人身和设备的安全,应尽量装设漏电保护器。它可以在设备及线路漏电时自动切断电源,起到保护作用。
凡手提照明灯、高度不足2.5米的一般照明灯,如果没有特殊安全结构或安全措施,应采用36伏安全电压。安全电压的工频有效值不超过50伏,直流不超过120伏。我国规定工频有效值的等级为42伏,36伏,24伏,12伏和6伏。
2、无法切断电源时,可用干燥的木棍挑开电线,使触电者脱离电源!也可用带有绝缘的工具一根一根地剪断电源线使触电者脱离电源!
3、可穿绝缘靴、戴绝缘手套或用干澡的衣物包裹着手,单手拉着触电者干澡的衣物使触电者脱离电源!
触电者脱离电源后,应迅速判断其症状, 根据其受电流伤害的不同程度,采用不同的急救方法。(1)口对口人工呼吸法。人生命的维持, 主要靠心脏跳动而产生血循环,通过呼吸而形成氧气与废气的交换。如果触电人伤害较严重,失去知觉,停止呼吸,但心脏微有跳动,就应采用口对口的人工呼吸法。具体做法是:
(2)人工胸外挤压心脏法。救护人立或跪在触电者一侧肩旁,两肩位于其胸骨正上方,两臂伸直,肘关节固定不动,两手掌相叠,手指翘起,不接触其胸壁,以髋关节为支点,利用上身的重力,垂直将正常成人胸骨压陷3-5cm,胸外按压要以均匀速度进行。若触电人伤害得相当严重,心脏和呼吸都已停止,人完全失去知觉,则需同时采用口对口人工呼吸和人工胸外挤压两种方法(即心肺复苏法)。如果现场仅有一个人抢救,可交替使用这两种方法,先胸外挤压心脏4~6次,然后口对口呼吸1~2次,再挤压心脏,反复循环进行操作。


版权声明:版权归原作者及原出处所有。如涉侵权或原版权所有者不同意转载,请及时联系我们,以便立即删除。
